Projecten:
Op deze pagina zet ik projecten die ik in mijn experimenteerdozen opgebouwd heb. Dit zijn de dozen EE2000,EE2007,EE2008, EE2001,ABCD, FM-doos 6301, Digi-doos 6302, Glasvezel 6303 en meettechniekdoos G6107. De componenten die ik gebruik zijn alle die ik bij mijn experimenteerdozen voorhanden heb. Ik voeg geen extra componenten toe. Een uitzondering hierop is het AVR-experimenteer board en eventueel extern aansluit apparatuur als antenne's en eventueel geluidsapparatuur. Sommige experimenen is een goede oscilloscoop of multimeter een bittere noodzaak. Aangezien met de EE2007 oscilloscoop geen gelijkspanningen en wisselspanningen > 50kHz gemeten kunnen worden. Deze heb ik dan ook veelvuldig gebruikt.
2.1 Verbeterde filters in lichtorgel
3.1 80 meter amateurband converter
5.1 Verbeterde MG/LG ontvanger
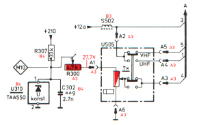
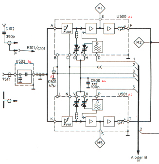
Bij de TV ontvanger heb ik 2 tuners. Een VHF en UHF tuner. Aangezien ik deze dozen 2e hands heb aangeschaft bleek mijn voorganger 2 UHF tuners in zijn bezit te hebben. Gelukkig bleken deze tuners voor te komen in de inmiddels bejaarde TV apparaten Philips K12 en ZW-TV chassis E1. Vooral deze laatste heeft wel erg veel weg van de tuners en middenfrequent die gebruikt worden bij de EE2008.

Tuners zoals deze aangesloten in het Philips E1 (zwart/wit) TV chassis Bediening in deze TV.
We kunnen zien dat in dit schema de tuners gewoon aan elkaar gekoppeld worden, voor zowel afstemming, Antenne ingang als Middenfrequent uitgang. Door de tuners afzonderlijk te schakelen op 12V kunnen we schakelen tussen UHF en VHF. Ik heb dit bij mijn opbouw op dezelfde mannier geprobeerd en dit werkt uitstekend. Toch heb ik een paar dingen aangepast.
De tuners, coax kabels en midden-frequent zijn goed te zien.
De TV ontvanger opgebouwd op 3 montage platen.

Het beeld van de TV. Weliswaar klein en niet echt contrastrijk, maar het werkt wel. De maximale frequentie is ook maar 2MHz en dat is nog veel lager dan dat van een videorecorder (ca 3,5MHz) het analoge TV beeld heeft een bandbreedte van 5MHz.
2.1 Verbeterde filters in lichtorgel:
De filters die gebruikt worden in het lichtorgel in de schakeling 4.2.2 van EE2013 zijn erg eenvoudig van opbouw. De schakeling volgt uit de filters die beschreven zijn in schakeling 3.7.4. en 3.7.5. De datasheet van de LM3900 bied veel meer mogelijkheden voor laag, hoog en banddoorlaat filters en formules om deze te berekenen. Ik heb dit in een excel bestandje gezet en op deze mannier kunnen heel eenvoudig en snel filters berekend worden. In het voorbeeld 3 filters gebruikt in een lichtorgel en getest. De filter werking is heel mooi te zien met filter.xls Zeker als je in plaats van de LED's de lampjes van EE2003/06 aansluit. Geeft je het gevoel wat je tegenwoordig bij die stereosetjes ziet, met die vlamachtige grafische muziek.
80 meter amateurband converter Schakeling 5.09 (EE2005) of C6 (EE1005)
De laatste tijd zat ik zo nog eens te luisteren op de korte golf en zo ontdekte ik dat de amateur banden nog steeds springlevend zijn. Hierop wordt nog volop gezonden door o.a amateurs, soms nog met morse code., maar ook zijn er RTTY en Fascimille zenders te horen. Evenals de de 80 meterband ( 3,5MHz tot 3,8Mhz ) is ook de 40 meterband (7,0Mhz tot 7,1MHz) erg interessant. Nu ik toch aan een nieuw project toe was met de EE-dozen en mij herinnerde dat hiermee ook een dergelijke ontvanger te bouwen was, besloot ik hiermee aan de slag te gaan. Nu had ik dit in het verleden wel eens gebouwd en had ik niets kunnen ontvangen en heb ik het, een illusie armer, maar weer afgebroken. Nu is het wel zo dat de EE-dozen zich niet echt lenen voor Hoog Frequent schakelingen. Er is immers geen afscherming en de afstanden zijn erg groot, dat allerlei ongewenste oscillaties en parasitaire capaciteiten en inducties in de hand werkt. Ook besefte ik mij dat veel zenders in SSB (single side band) wordt uitgezonden en meestal erg zwak zijn, dus een goede antenne is onontbeerlijk, anders wordt er weer niets ontvangen. Maar goed met al deze beperkingen heb ik toch weer getracht de schakeling te gaan bouwen.
Nu heb ik tegenwoordig veel precisie meet apparatuur, waardoor ik de schakeling veel beter kan testen en analyseren als vroeger. En dat was achteraf heel erg nodig. Het begint al bij de afstemkring.
Afstem kring 80meter converter.
Na de eerste test bleek deze af te stemmen op een frequentie van ca 1,5MHz en deze hoort ca 3,5MHz te zijn. Veel te laag dus, vreemd!. Daarbij heb ik toen een poging ondernomen om de zelfinductie van de spoel uit te rekenen. 29 windingen als op een eenvoudige ferrietstaaf dat moet toch wel te doen zijn. Dus de bekende spoel formule ter hand gepakt:
3.1 L = ( N² x A x μ )/ l N = aantal windingen, A = kern diameter, µ = permeabiliteit, l = lengtespoel.
Echter bij de lengte gaat het mis. Nemen we hiervoor de lengte van de ferrietstaaf dan klopt het niet. Immers volgens de formule is de lengte niet evenredig met de zelfinductie, terwijl dat wel het geval is. Een langere ferrietkern geeft een grotere zelfinductie. Maar ook het verplaatsen van de spoel geeft andere zelfinducties. Ik moet zeggen dat alle studieboeken en heel internet heb ik afgezocht, maar nergens vind je een oplossing voor dit probleem. Echter een interessante site http://raylcross.net/murod_mm/ geeft aan hoe complex dit probleem is. Misschien dat iemand dit sterk kan vereenvoudigen en voor mij de oplossing heeft, dan mag hij/zij mij dit mailen.
Uiteindelijk ben ik gaan meten door een condensator parallel aan de spoel te plaatsen (contacten 1 en 2) en vervolgens op de contacten 3 en 4 de frequentie te meten waarop de maximale amplitude te zien is met een oscilloscoop. Immers een condensator en een spoel vormen een bandfilter met een frequentie die te bereken is met de formule:
3.2 f = 1 / ( 2 x π x √ (L x C) ) f = frequentie, L = zelfinductie, C = capaciteit
De oscilloscoop zetten we op de contacten 3 en 4 om geen invloed te hebben van de capaciteit van de oscilloscoop, die ook meestal ook al een aardige capaciteit heeft. deze is al gauw een paar pF en dat beļnvloed de meting. Uiteindelijk kwam ik tot een zelfindcutie van de spoel van ca 60μH. Voeren we dit in in de formule 3.2 met de condensatoren als in de schakeling dan blijkt dat we een maximale frequentie hebben ca 1,5MHz en dit is heel vreemd voor een 3,5MHz ontvanger. Enig speurwerk levert dit op dat in de EE1005 handleiding nog een kortegolf ontvanger staat, namelijk schakeling C4 met dezelfde afstemspoel. Deze loopt van 1,5Mhz t/m 4Mhz, maar daar zitten de condensatoren C3,C4 en C5 dan ook niet in. En dat klopt wel. Ik denk dat ze een fout gemaakt hebben en eigenlijk de afstemspoel uit schakeling C5 bedoeld hebben met 10 windingen. Deze loopt van 4 tot 10MHz en met hieraan de de condensatoren C3,C4 en C5 levert wel de juiste frequenties op. Gemeten levert deze afstemspoel een zelfinductie van 10,5µH en met een capaciteit van 161pF tot 246pF krijg ik nu een mooie afstemfrequentie van 3 tot 3,7MHz. Geen wonder dat er ooit niets te ontvangen was.
Bij deze converter is een aparte mengtrap gebouwd (rond transistor T2) , waar het signaal uit de antenne wordt gemengd met een oscillator signaal. Bij een converter wordt het HF antenne signaal gemengd met een oscillator signaal. Uit deze menging ontstaat dan een signaal met de frequenties fout = fosc - fafstem en fout = fosc + fafstem . Om een stabiele uitgangsfrequentie te verkrijgen dienen we een continu 1,5MHz boven de afstemfrequentie te zitten. Dus zouden we de oscillatie frequentie moeten variėren van 4,5MHz tot 5,2MHz. Maar ook hier is weer wat vreemds in het schema van de converter.
Oscillator 80 meter converter.
Gemeten heb ik een zelfinductie tussen 1 en T van 400µH en tussen 1 en 5 = 58μH maximaal. Omdat deze parallel aan elkaar staan houd ik een maximale inductie over van ca 50µH. Bij deze oscillator is de capaciteit te variėren van ca 62pF ..... 111pF. volgens formule 3.2 zouden frequentie variėren van 2,1 .... 2.7Mhz. Dit zou een fout opleveren van ca 1MHz en 5 tot 6MHz. Ook dit is echter weer veel te laag. Het is echter wel zo dat de kern van de spoel nog te verdraaien is en we hogere frequenties mogelijk zijn. Alhoewel hier niet op wordt gewezen in de bouwbeschrijving. Ik heb de frequentie eerst laten variėren van 1,5Mhz tot 2,2Mhz door C18 te vervangen voor een condensator van 100pF en C19 = 330pF. Dit werkt wel maar het is beter deze frequentie omhoog te brengen, omdat ik anders het oscillator signaal ook op de uitgang krijg en dat kan problemen geven. De oscillator zal een frequentie moeten leveren van 4,5 tot 5,2 MHz. Dit is lastig om te verkrijgen. Met de spoelkern in de uiterste stand ( naar binnen gedraaid ) krijgen we de kleinste inductie van ca 15uH. Hier hoort een capaciteit bij die varieert van ca 10 tot 20pF. Door C18 te laten vervallen en C19 = 27pF te maken lukt het net om de juiste oscillator frequentie in te stellen.
Aangepast
Schema.
Het schema is voorlopig als volgt geworden en ik heb dit ook, eigenlijk boven verwachting getest. De uitgang X en Y heb ik naar een wereldontvanger laten lopen met een coax kabel en afgestemd op 1500KHz. Tot mijn verbazing ontving ik links van de schaal (ca 4MHz) zenders die ook o.a. op de 3964KHz te ontvangen zijn. M.a.w. de converter werkte uitstekend. Ook zijn er zendamateurs te ontvangen, die uitzenden in SSB. Hiervoor is wel een goede antenne noodzakelijk. Zelf gebruik ik een soort raam aktieve antenne uit elektuur 1995. Die hele goede resultaten geeft.
Opbouw van de converter op de montageplaten.
Opbouw van de converter is zoals op de foto. De witte oscillator spoel en de ontvangst spoel op de ferrietstaaf zijn zover mogelijk uit elkaar geplaatst en evenwijdig aan elkaar om vervelende ongewenst oscilleer neigingen te voorkomen. Potmeter R10 is vervangen voor een instelpotmeter.
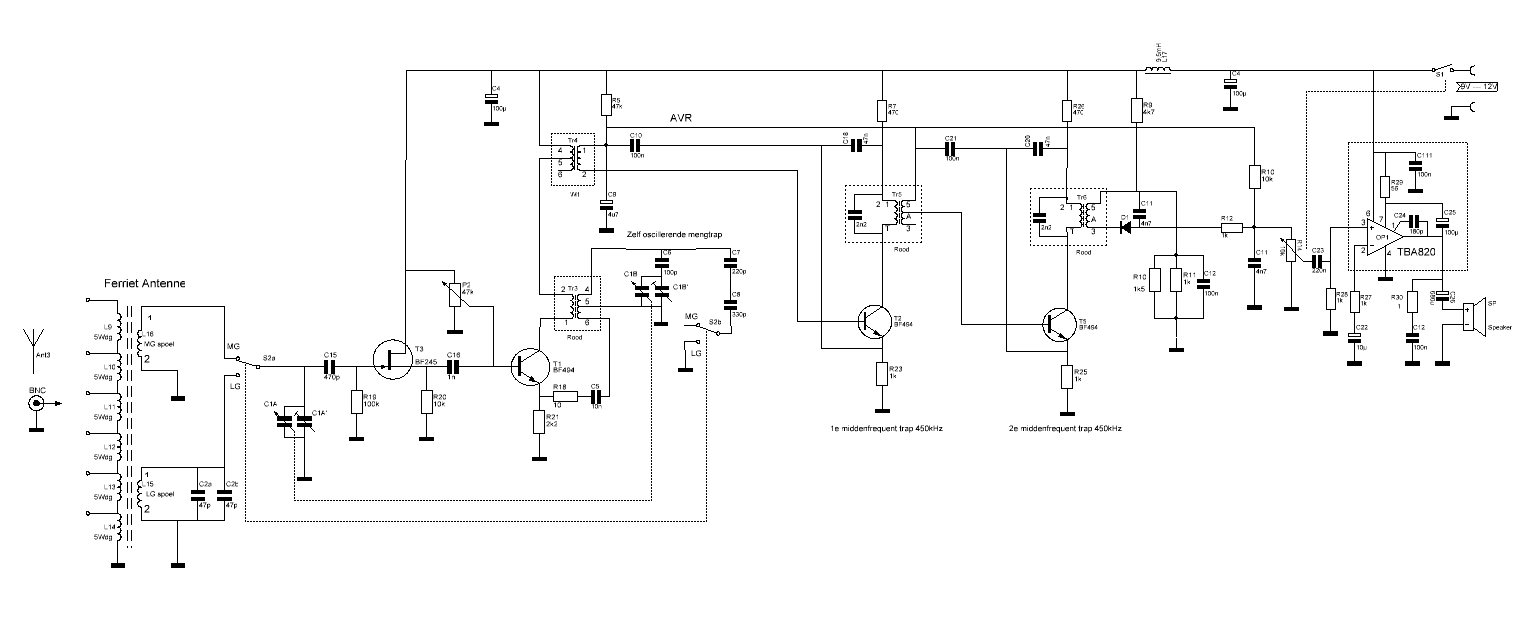
De schakeling is nu als volgt verbeterd. Door gebruik te maken van een FET (BF245) is de transformator die gemaakt werd door de twee wikkelingen, niet meer nodig en kan vervallen. Door de zeer hoog ohmige ingang kan de gate van de FET direct aan de afstem spoel gekoppeld worden. Dit resulteert in een grotere selectiviteit en ook al een betere ontvangst.
Het volgende doel is om de middenfrequentie niet meer 1,5MHz te gebruiken, maar naar 455kHz te brengen. Hierna kunnen we net als de MG superheterodyne ontvanger schakeling 5.06 een middenfrequent trap bouwen, met daarin een BFO voor de SSB ontvangst.
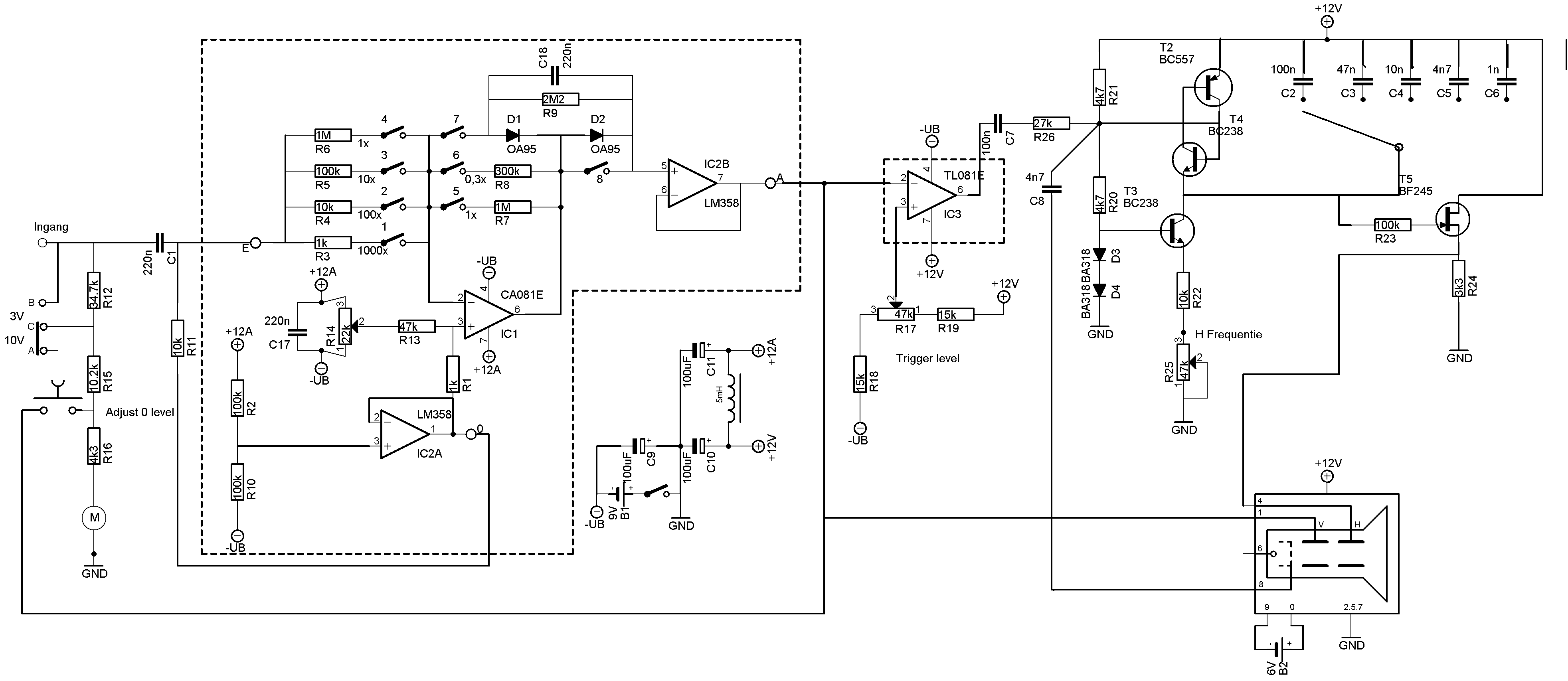
Met de dozen meettechniek G6107, de D-doos en de EE2007 is een veel betere oscilloscoop te bouwen dan die uit de originele EE2007. Met de meet module is eenvoudig een hogere versterking mogelijk en dat maakt de oscilloscoop gevoeliger. Door de uitgangs transistor te vervangen door een FET kan de tijdbasis ook ruimer ingesteld worden.

De schakeling bestaat uit drie gedeelten. Allereerst vinden we de versterker die hoofdzakelijk is opgebouwd uit de meetmodule uit de meet techniek doos. Deze module bestaat uit een inverterende versterker IC1 en gelijkspannings of 0 instelling. Vervolgens een buffer IC2B. De versterker is in te stellen met de factor 1x,10x,100x en 1000x eventueel is het signaal te verzwakken met de schakelaar 6 met 3x. Met de het meetinstrument is de gelijkspanning te meten op de ingang. We kunnen nu met de omschakelaar de meter in de stand 3V of 10V zetten. De ingang wordt door C1 ontkoppeld van de gelijkspanning, zodat alleen wisselspanning wordt door gelaten. Omdat de oscilloscoop toch alleen maar wisselspanning weergeeft, zou het geen zin hebben de gelijkspanning door te geven. De schakeling wordt gevoed uit +12V en -9V (-UB) . Hier gebruik ik de batterijen uit de B-doos. Omdat het een gevoelige schakeling betreft, er zijn wisselspanningen tot 1mV meetbaar, moet de voedingspanning wel goed ontkoppeld worden van stoor signalen. Dit doet de smoorspoel. De uitgang van de versterker wordt naar de Verticale aansluiting van de beeldbuis eenheid geleid.
De volgende trap is de schmitt-trigger IC3 die op een instelbaar level, instelbaar met de potmeter, het trigger niveau bepaald. De zaagtand generator, die hetzelfde is als die uit de EE2007 wordt hierdoor getriggerd en hierdoor krijgen we een keurig steelstaand beeld. Alleen de laatste transistor is vervangen door een FET BF245, Dit is gedaan om de zaagtand generator minder snel te laten afslaan en kunnen we generator op meer frequenties laten lopen. Ik gebruik 5 condensatoren van 1nF tot 100nF.
Hiermee is een eenvoudige goede oscilloscoop te bouwen met goede presstaties.
Opbouw oscilloscoop op het bord van de D-doos Oscilloscoop plaatje 20kHz 5mV
5.1 Verbeterde MG Middengolf / LG langegolf ontvanger. (3 augustus 2020)
Mijn idee was om de MG en LG ontvanger, schakeling 5.08 uit de nieuwe EE2005 doos, 5.06 van de oude EE2005 , weer eens te bouwen. Echter bleek de ontvangst nog steeds tegen te vallen, dat eigenlijk al na veel pogingen wel bekend was. Vroeger waren op de 675, 747kHz en 1008kHz sterke Nederlandse zenders te horen, maar deze zijn inmiddels uitgeschakeld. Hier thuis heb ik ook nog veel last van allerlei elektrische storingen 'elektrosmog' van mij zelf (computers e.d.) maar ook uit de buurt. Hier is helaas weinig aan te doen en moeten we andere oplossingen bedenken. Sinds de sterke Nederlandse MG zenders zijn verdwenen is er wel ruimte gekomen voor de zwakkere MG zenders uit het buitenland. Zonder extra antenne ontvang ik hier 's avonds wat Engelse zenders op de MG, maar op de LG helemaal niets. De laatste tijd ben ik bezig geweest om verschillende soorten antennes te bouwen om de ontvangst te verbeteren. Dit werkte wel, echter zijn de meeste antennes bedoeld voor een bepaald frequentie gebied en eventueel met een antenne tuner nog wat af te stemmen op een bepaalde frequentie. Je bent dan echter met twee afstemmingen bezig, niet echt ideaal. Het is bekend dat met een actieve antenne een veel breder frequentie gebied te bereiken is, zonder dat er iets afgestemd dient te worden. Toen viel mij oog op een type: 'mini whip' antenne en de reviews waren veel belovend en voor 20,- het proberen waard.
Hier
is een dergelijke antenne te zien. Alleen een koper plaatje wordt toegevoegd.
Voor meer info zie:
https://www.vandijkenelektronica.eu/nl/rtl-dongle-en-toebehoren/668-bouwpakketje-actieve-antenne-10-khz-20-mhzmax-30-mhz-oa-voor-onze-hf-converter.html.
Ook googelen op 'Mini whip' geeft veel resultaten.
Door de antenne aan te sluiten op de ontvanger wordt de ontvangst al enorm
verbeterd en als deze ook op een plaats gehangen wordt zover mogelijk, hoog weg van
allerlei stroringsbronnen. b.v. op zolder wordt de signaal ruis verhouding
stukken beter en zijn er opeens allerlei zenders op de MG en LG te ontvangen.
Eindelijk was ik weer enthousiast aan het luisteren en gemotiveerd om de
ontvanger te verbeteren. Om het optimale uit de antenne te halen
dienen we de antenne aan de ferriet staaf te koppelen met windingen, zodat de MG
en LG antenne spoel dit signaal op kunnen pakken. Via een RG58 coax kabel vindt
de signaal overdracht plaats. Dit betekent ook dat we de coax kabel moeten
afsluiten met 50ohm voor maximale signaal overdracht. Ik heb geprobeerd het
aantal windingen te berekenen die nodig zijn en daarbij ben ik uitgegaan van 1Mhz
als centrale middenfrequentie voor de MG. Zoals ook bij de 80m band converter te
zien is hebben we hier de spoel formule voor nodig. Het lastige is om de juiste
permeabiliteit te bepalen. Deze is frequentie afhankelijk en zo krijgen we een
vrij ingewikkelde formule, die ik je hier verder zal onthouden. Ik ben uitgegaan
van een realistische permeabiliteit tussen de 800 en 1000. Hierbij kom ik voor de 1Mhz op
ca 7 windingen voor 50 ohm (L = ca 8uH) en ca 25 windingen voor de langegolf (200kHz)(
L= ca 40uH). Op de ferrietstaaf heb ik met geļsoleerd koperdraad 6x
een aantal windingen van 5 gemaakt, zodat ik kan kiezen, afhankelijk van
de ontvangen frequentie welke aftakking ik neem met de beste ontvangst. In de
praktijk blijken het aantal windingen aardig overeen te komen met de
berekeningen.
De volgende stap die genomen moest worden, dat veel in radio's wordt toegepast, was het ontlasten van de MG en LG spoel. In het schema van de schakeling 5.08 worden de spoelen met de groene en grijze draden direct naar de basis transistor T1 geleid. Die van de LG spoel worden gebruikt en van de MG al helemaal niet. Niet bepaald echt ideaal te noemen, aangezien deze spoelen uitstekende KG ontvangers zijn. Om direct de basis van de transistor aan de afstemkring(spoel + afstem condensator) te koppelen, wordt de spoel te veel belast, waardoor zijn Q-factor en dus selectiviteit afneemt. In veel radio schema's wordt dan ook een FET als ingangstrap genomen en zo direct aan de afstemkring gekoppeld. Een FET heeft een hoge ingangsimpedantie en belast de afstemkring niet. Een FET, de BF245, hebben we ook voorhanden in de EE2010/2013 en kunnen we dus prima gebruiken. De afstemkring wordt via C15 gekoppeld en via C16 weer gekoppeld aan de BF494 dat weer het vertrouwde schema is van de ontvanger. Met de P2 wordt het deze transistor ingesteld op zijn ontvangst sterkte. Al doet de AVR (Automatische volume regelaar) al veel, met P2 kunnen sterke zenders wat terug of bij geregeld worden, waardoor de ontvanger niet overstuurd wordt. Eventueel kunnen de draden(3 en 4) van de MG-spoel ook gebruikt worden om de antenne aan te koppelen (7 windingen). Deze aanpassing geeft alweer een sterke verbetering op van de ontvanger.
Als er meer zenders te ontvangen zijn en deze dicht op elkaar zitten, moeten we de selectiviteit verhogen van de ontvanger, anders klinken de zenders door elkaar heen. Hier heb ik gebruik gemaakt van de oude EE2005 rode spoelen, deze zijn veel beter af te stemmen dan de zwarte Toko spoel. Waarom weet ik niet, maar de zwarte spoel is niet echt selectief. De rode spoel is veel beter af te regelen op de ca 455kHz midden frequentie. Daarbij heb ik twee trappen achter elkaar geplaatst, nu is de ontvanger nog veel selectiever, als deze goed wordt afgeregeld zijn er veel zenders te horen. Het afstemmen wordt wel wat gevoeliger allemaal, maar dat is wel spannend. Er is in ieder geval genoeg om op af te stemmen.
Verder heb ik gemerkt dat enige koppeling met de aarde, via een PC, voeding of meetapparaat alweer extra ruis en storing levert. Ik voed de schakeling dan ook compleet met een 12V accu :-) .
Als eindtrap heb ik gebruik gemaakt van de TBA820 uit de ABCD dozen, omdat deze minder ruimte in neemt, maar de originele eindtrap voldoet ook. Alles kan in ieder geval op 2 montage platen gebouwd worden.

Al met al is het nu gelukt om een aardige goede ontvanger te bouwen, die wat ontvangst sterkte niet meer echt onder doet voor mijn Sangean wereld ontvanger. Alhoewel deze laatste digitale afstemming heeft en dus nog veel selectiever is. Misschien weer een volgende uitdaging? Alhoewel met de huidige discrete componenten, die in de EEdozen voorhanden zijn ( en dat wil ik graag), er wel grenzen zijn aan de mogelijkheden. Maar er zijn zeker nog veel leuke experimenteer mogelijkheden in de toekomst.
Gebruikte dozen:
EE2003, EE2004, EE2005, EE2005ng , EE2010. Eventueel A-doos
